繁體中文
ENGLISH
产品搜索:
首页
关于我们
产品展示
新闻动态
服务项目
在线留言
联系我们
产品分类
压力继电器
油压冷却器
滤油网
齿轮泵
阀门
叶片泵
蓄能器
柱塞泵
液压马达
日本不二越
日本大金
日本东京计器
威格士
日本住友
力士乐
日本油研
美国派克
液压配件
法国丹尼逊
亚德客
电气比例阀
手动油泵
电话:
86-135-09210189
传真:
+86-0755-66813786
手机:
+86-13509210189
E-mail:
zfhydraulic@hotmail.com
E-mail:
zfhydraulic@yahoo.com
HGP-3A-F25R系列齿轮泵
产品名称:
HGP-3A-F25R系列齿轮泵
产品编号:
详细说明:
HGP-3A-F25R系列齿轮泵
HGP-3A
-F
8
-R
-X
-4BJ
系列
安装形式
排量
(cc/rev)
旋转方向
输出轴
法兰形式
Gear Pump 3A Series
F: Flange Mounting
L: Foot Mounting
6,8,11,13,14,17,19,23,25,28,30
R: Clockwise
L: Anti-clockwise
X: Straight Keyed
Y: Spline
2B: SAE 2-Bolt
4BJ: JIS 4-Bolt
规格:
型号
排量
(cc/rev)
压力
(bar)
转速
(RPM)
端口尺寸
重量
(kg)
额定
最大
额定
最小
最大
输入
输出
HGP-3A-*6*
6
210
250
1800
700
3000
PT3/4
PT1/2
2.32
HGP-3A-*8*
8
2.40
HGP-3A-*11*
11
600
2.53
HGP-3A-*13*
13
2.60
HGP-3A-*14*
14.3
500
2.69
HGP-3A-*17*
16.5
2.81
HGP-3A-*19*
19.2
2.92
HGP-3A-*23*
23
3.11
HGP-3A-*25*
25
175
210
PT1
PT3/4
3.20
HGP-3A-*28*
28
3.29
HGP-3A-*30*
30
3.38
1:重量轻,耐高压。效率高:可达90%以上。
2:结构简单,内部零件更换容易,保养方便。
3:特适用于工作环境恶劣的场合,如:车辆、农业机械及产业机械等。
4:性能稳定,压力高,尤其适用于高低压回路中的
高压泵
,节省功率。
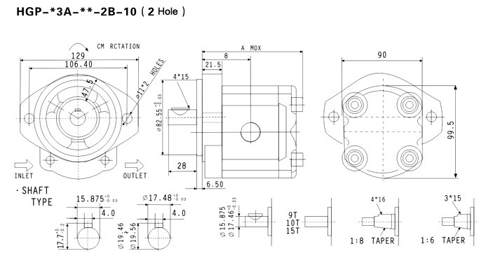
外形尺寸:
←[上一个产品:]
[下一个产品:]→
相关产品:
齿轮泵IPVP3-10-411
内啮合齿轮泵IGP4-H025F
日本住友Sumitomo QT22-4齿轮泵
齿轮泵(23A-60-11200)
齿轮泵NT4-G63F
齿轮泵 NT3-D32F
齿轮泵IPH5-64-101
高压齿轮泵GPY-8R
英 语
德 语
西班牙语
法 语
意大利语
葡萄牙语
日 语
韩 语
阿拉伯语
俄 语
首页
|
关于我们
|
产品展示
|
新闻动态
|
服务项目
|
在线留言
|
联系我们
|
网站地图
版权所有 ©
彰发液压气动元件厂
All Rights Reserved